无源液晶显示模块的设计与实现(图)
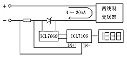
无源液晶显示模块只需串接在两线制变送器4~20mA回路里,即可显示测量工程值或测量百分比,无需电池或外接电源
4~20mA信号是两线制变送器的传输标准。通常在控制室用数显表显示其测量工程值,或用计算机数据采集显示。所设计的无源液晶显示模块,只需串接在两线制变送器4~20mA回路里,即可显示测量工程值或测量百分比,无需电池或接入电源。可嵌入到现场仪表的表头就地显示,或安装在控制室集中显示,是一种通用的无源液晶显示模块。
工作原理
显示模块通过两个接线端串接到两线制变送器的4~20mA回路里,通过模块的可调精密并联稳压管产生2.5V的压降,再经过倍压提供模块的5V电源。信号采样电阻产生的最大200mV信号送入模数转换器的差分输入端,转换为数字量进行显示。模数转换器采用抗工频干扰强的双积分模数转换器ICL7106,可以直接驱动3位半液晶显示器,如图1所示。

电路设计
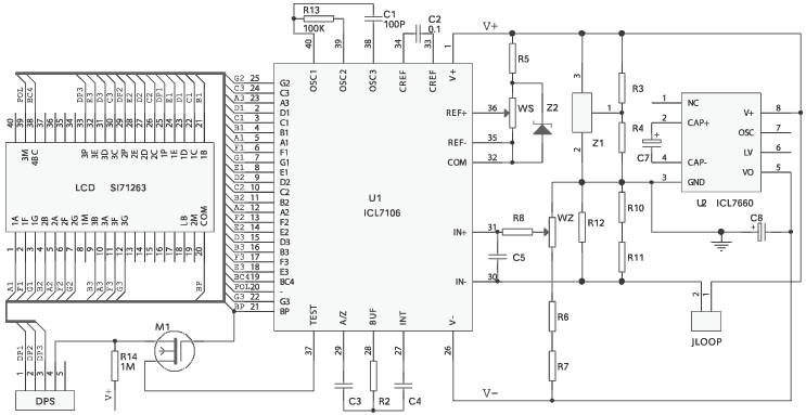
设计电路如图2所示。显示模块通过JLOOP端子串接在4~20mA信号回路。图中Z1是可调精密并联稳压器,吸收电流能力1~100mA。输出电压可用两个外部电阻R3、R4设置至2.5~30V之间的任何值,考虑到模块的压降和ICL7106的工作电压,这里取2.5V。R10、R11、R12串并联为回路信号的取样电阻,对于不同的显示量程可便于调整信号满度。

ICL7660是Intersil公司采用CMOS工艺制成的高效率、小功率低压直流电源变换器,它不仅可将单电源转换成对称输出的双电源,还能实现倍压和多倍压输出,ICL7106的电源即由此获得。ICL7106也是Intersil公司生产的专门用于驱动LCD的双积分模数转换器,功耗极低,可由电池供电。芯片内部有时钟电路,外接阻容元件即可构成两级反相RC振荡器(图中R13、C1),内部有基准电压发生电路,在V+与COM之间有一个2.8V典型值的基准电压源,但考虑到其温度稳定性,这里采用外接精密基准LM385-1.2V,再由分压器分压送到ICL7106的差分基准输入端。Ws电位器用来微调显示满度以保证Vref+- Vref-=Vm/2,Vm为满量程。ICL7106的差分输入特性使得IN+和IN-可以接受在共模电压范围内的差分电压,在V-+1~V+-0.5范围内,A/D转换器具有86dB的共模抑制比。图中Wz、R6、R7分压接入测量输入IN+端,Wz用于调整量程下限。R8、C5组成低通滤波以滤去干扰。M1用于驱动小数点,DPS用于选择小数点显示位置。LCD SI71263是长沙太阳人公司生产的小型三位半液晶显示器。整个电路简单实用,采用表面贴封装的元件做成小型液晶显示模块,可直接嵌入到现场仪表的表头。
无源液晶显示模块的实现方法切实可行,具有设计简单、工作可靠等优点,具有很好的参考价值和实用性。